GSK RB08A3系列
工業機器人
廣泛應用于物流搬運、機床上下料、沖壓自動化、裝配、打磨、拋光等。
| 型號 |
RB08A3-1490 |
RB08A3-1700 |
RB08A3-1840 |
| 自由度 |
6 |
6 |
6 |
| 驅動方式 |
交流伺服驅動 |
交流伺服驅動 |
交流伺服驅動 |
|
有效負載
(kg)
|
8 |
8 |
6 |
|
重復定位精度
(mm)
|
±0.05 |
±0.05 |
±0.05 |
| 運動范圍(°) |
J1 |
±170 |
±170 |
±170 |
| J2 |
+120~-85 |
+120~-85 |
+120~-85 |
| J3 |
+83~-150 |
+83~-150 |
+83~-150 |
| J4 |
±180 |
±180 |
±180 |
| J5 |
±135 |
±135 |
±135 |
| J6 |
±360 |
±360 |
±360 |
| ***大速度(°/s) |
J1 |
200 |
180 |
160 |
| J2 |
200 |
180 |
160 |
| J3 |
200 |
180 |
160 |
| J4 |
400 |
400 |
400 |
| J5 |
356 |
356 |
356 |
| J6 |
600 |
600 |
600 |
|
允許***大扭矩
(N.m)
|
J4 |
14 |
14 |
14 |
| J5 |
12 |
12 |
12 |
| J6 |
7 |
7 |
7 |
|
運動半徑
(mm)
|
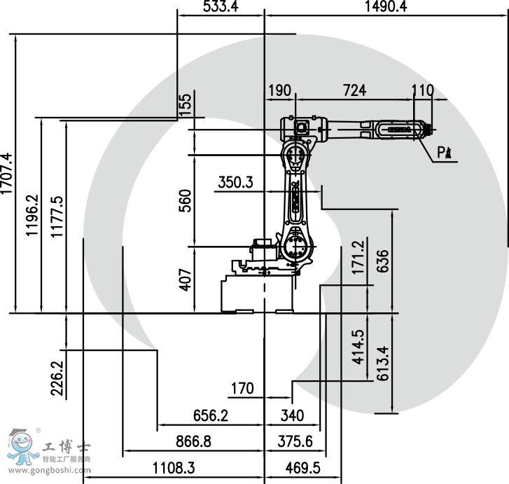
1490 |
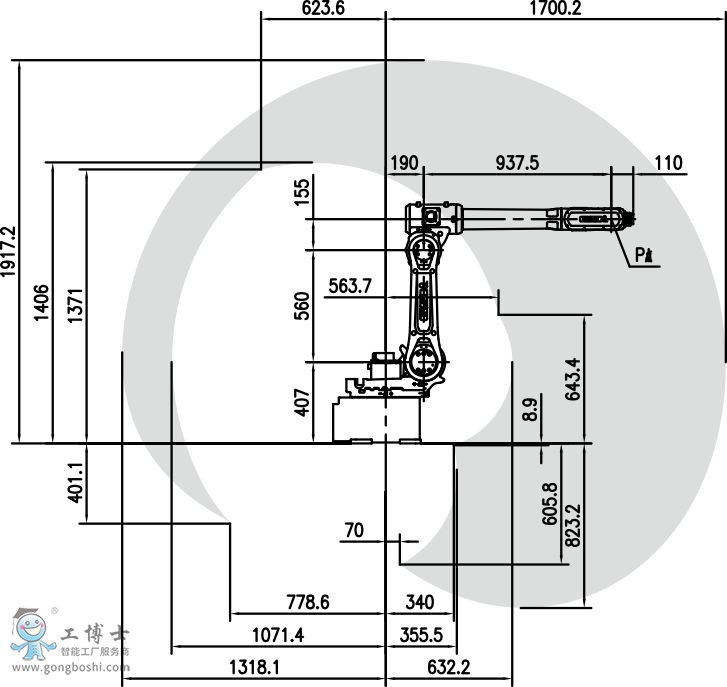
1700 |
1840 |
|
本體重量
(kg)
|
185 |
187 |
18 |

RB08A3-1490 運動范圍


RB08A3-1700 運動范圍


RB08A3-1840 運動范圍